


精湛的细节

精湛的细节
UCFC200

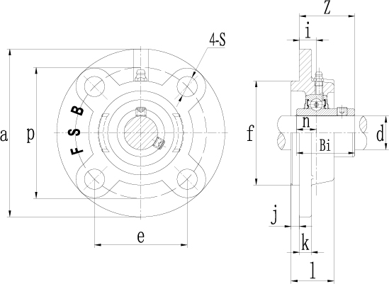
| 带座轴承型号 | 轴 径 | 尺 寸 | 螺 栓 | 轴承芯型号 | 轴承座型号 | 基本额定载荷 | 疲劳载荷极限 | 极限转速(SRS) 轴的配合公差(h6) | 重量 | |||||||||||||||||
|---|---|---|---|---|---|---|---|---|---|---|---|---|---|---|---|---|---|---|---|---|---|---|---|---|---|---|
| mm | in | mm / in | mm | in | — | — | 动载荷 | 静载荷 | m | |||||||||||||||||
| d | a | p | e | i | l | S | j | k | g | f | Z | Bi | n | Cr | Cor | Cur | r / min | ≈Kg | ||||||||
| KN | ||||||||||||||||||||||||||
| UCFC201 | 12 | — | 100 | 78 | 55.1 | 10 | 25.5 | 12 | 5 | 7 | 20.5 | 62 | 28.3 | 31.0 | 12.7 | M10 | — | UC201 | FC204 | 12.7 | 6.55 | 0.28 | 8500 | 0.8 | ||
| UCFC201-8 | — | 1/2 | 3-15/16 | 3-5/64 | 2-11/64 | 25/64 | 1 | 15/32 | 13/64 | 9/32 | 13/16 | 2.4409 | 1.1142 | 1.2205 | 0.5000 | — | 3/8 | UC201-8 | ||||||||
| UCFC202 | 15 | — | 100 | 78 | 55.1 | 10 | 25.5 | 12 | 5 | 7 | 20.5 | 62 | 28.3 | 31.0 | 12.7 | M10 | — | UC202 | FC204 | 12.7 | 6.55 | 0.28 | 8500 | 0.8 | ||
| UCFC202-10 | — | 5/8 | 3-15/16 | 3-5/64 | 2-11/64 | 25/64 | 1 | 15/32 | 13/64 | 9/32 | 13/16 | 2.4409 | 1.1142 | 1.2205 | 0.5000 | — | 3/8 | UC202-10 | ||||||||
| UCFC203 | 17 | — | 100 | 78 | 55.1 | 10 | 25.5 | 12 | 5 | 7 | 20.5 | 62 | 28.3 | 31.0 | 12.7 | M10 | — | UC203 | FC204 | 12.7 | 6.55 | 0.28 | 8500 | 0.8 | ||
| UCFC203-11 | — | 11/16 | 3-15/16 | 3-5/64 | 2-11/64 | 25/64 | 1 | 15/32 | 13/64 | 9/32 | 13/16 | 2.4409 | 1.1142 | 1.2205 | 0.5000 | — | 3/8 | UC203-11 | ||||||||
| UCFC204 | 20 | — | 100 | 78 | 55.1 | 10 | 25.5 | 12 | 5 | 7 | 20.5 | 62 | 28.3 | 31.0 | 12.7 | M10 | — | UC204 | FC204 | 12.7 | 6.55 | 0.28 | 8500 | 0.8 | ||
| UCFC204-12 | — | 3/4 | 3-15/16 | 3-5/64 | 2-11/64 | 25/64 | 1 | 15/32 | 13/64 | 9/32 | 13/16 | 2.4409 | 1.1142 | 1.2205 | 0.5000 | — | 3/8 | UC204-12 | ||||||||
| UCFC205 | 25 | — | 115 | 90 | 63.6 | 10 | 27 | 12 | 6 | 7 | 21 | 70 | 29.7 | 34.0 | 14.3 | M10 | — | UC205 | FC205 | 14.00 | 7.80 | 0.34 | 7000 | 1.0 | ||
| UCFC205-14 | — | 7/8 | 4-17/32 | 3-35/64 | 2-1/2 | 25/64 | 1-1/16 | 15/32 | 15/64 | 9/32 | 53/64 | 2.7559 | 1.1693 | 1.3386 | 0.5630 | — | 3/8 | UC205-14 | ||||||||
| UCFC205-15 | — | 15/16 | UC205-15 | |||||||||||||||||||||||
| UCFC205-16 | — | 1 | UC205-16 | |||||||||||||||||||||||
| UCFC206 | 30 | — | 125 | 100 | 70.7 | 10 | 31 | 12 | 8 | 8 | 23 | 80 | 32.2 | 38.1 | 15.9 | M10 | — | UC206 | FC206 | 19.50 | 11.20 | 0.48 | 6300 | 1.4 | ||
| UCFC206-18 | — | 1-1/8 | 4-29/32 | 3-15/16 | 2-25/32 | 25/64 | 1-7/32 | 15/32 | 5/16 | 5/16 | 29/32 | 3.1496 | 1.2677 | 1.5000 | 0.6260 | — | 3/8 | UC206-18 | ||||||||
| UCFC206-19 | — | 1-3/16 | UC206-19 | |||||||||||||||||||||||
| UCFC206-20 | — | 1-1/4 | UC206-20 | |||||||||||||||||||||||
| UCFC207 | 35 | — | 135 | 110 | 77.8 | 11 | 34 | 14 | 8 | 9 | 26 | 90 | 36.4 | 42.9 | 17.5 | M12 | — | UC207 | FC207 | 25.50 | 15.30 | 0.66 | 5300 | 1.7 | ||
| UCFC207-20 | — | 1-1/4 | 5-5/16 | 4-21/64 | 3-1/16 | 7/16 | 1-11/32 | 35/64 | 5/16 | 11/32 | 1-1/32 | 3.5433 | 1.4331 | 1.6890 | 0.6890 | — | 7/16 | UC207-20 | ||||||||
| UCFC207-21 | — | 1-5/16 | UC20721 | |||||||||||||||||||||||
| UCFC207-22 | — | 1-3/8 | UC207-22 | |||||||||||||||||||||||
| UCFC207-23 | — | 1-7/16 | UC207-23 | |||||||||||||||||||||||
| UCFC208 | 40 | — | 145 | 120 | 84.8 | 11 | 36 | 14 | 10 | 9 | 26 | 100 | 41.2 | 49.2 | 19.0 | M12 | — | UC208 | FC208 | 30.7 | 19.00 | 0.80 | 4800 | 2.0 | ||
| UCFC208-24 | — | 1-1/2 | 5-23/32 | 4-23/32 | 3-11/32 | 7/16 | 1-27/64 | 35/64 | 25/64 | 11/32 | 1-1/32 | 3.9370 | 1.6220 | 1.9370 | 0.7480 | — | 7/16 | UC208-24 | ||||||||
| UCFC208-25 | — | 1-9/16 | UC208-25 | |||||||||||||||||||||||
| UCFC209 | 45 | — | 160 | 132 | 93.3 | 10 | 38 | 16 | 12 | 14 | 26 | 105 | 40.2 | 49.2 | 19.0 | M14 | — | UC209 | FC209 | 33.2 | 21.6 | 0.92 | 4300 | 2.8 | ||
| UCFC209-26 | — | 1-5/8 | 6-5/16 | 5-13/64 | 3-43/64 | 25/64 | 1-1/2 | 5/8 | 15/32 | 9/16 | 1-1/32 | 4.1339 | 1.5827 | 1.9370 | 0.7480 | — | 1/2 | UC209-26 | ||||||||
| UCFC209-27 | — | 1-11/16 | UC209-27 | |||||||||||||||||||||||
| UCFC209-28 | — | 1-3/4 | UC209-28 | |||||||||||||||||||||||
| UCFC210 | 50 | — | 165 | 138 | 97.6 | 10 | 40 | 16 | 12 | 14 | 28 | 110 | 42.6 | 51.6 | 19.0 | M14 | — | UC210 | FC210 | 35.10 | 23.20 | 0.98 | 4000 | 3.0 | ||
| UCFC210-30 | — | 1-7/8 | 6-1/2 | 5-7/16 | 3-27/32 | 25/64 | 1-9/16 | 5/8 | 15/32 | 9/16 | 1-3/32 | 4.3307 | 1.6772 | 2.0315 | 0.7480 | — | 1/2 | UC210-30 | ||||||||
| UCFC210-31 | — | 1-15/16 | UC210-31 | |||||||||||||||||||||||
| UCFC211 | 55 | — | 185 | 150 | 106.1 | 13 | 43 | 19 | 12 | 15 | 31 | 125 | 46.4 | 55.6 | 22.2 | M16 | — | UC211 | FC211 | 43.60 | 29.00 | 1.25 | 3600 | 4.0 | ||
| UCFC211-32 | — | 2 | 7-9/32 | 5-29/32 | 4-11/64 | 33/64 | 1-11/16 | 3/4 | 15/32 | 19/32 | 1-7/32 | 4.9213 | 1.8268 | 2.1890 | 0.8740 | — | 5/8 | UC211-32 | ||||||||
| UCFC211-34 | — | 2-1/8 | UC211-34 | |||||||||||||||||||||||
| UCFC211-35 | — | 2-3/16 | UC211-35 | |||||||||||||||||||||||
| UCFC212 | 60 | — | 195 | 160 | 113.1 | 17 | 48 | 19 | 12 | 15 | 36 | 135 | 56.7 | 65.1 | 25.4 | M16 | — | UC212 | FC212 | 52.70 | 36.00 | 1.53 | 3400 | 4.7 | ||
| UCFC212-36 | — | 2-1/4 | 7-11/16 | 6-19/64 | 4-29/64 | 43/64 | 1-7/8 | 3/4 | 15/32 | 19/32 | 1-27/64 | 5.3150 | 2.2323 | 2.5630 | 1.0000 | — | 5/8 | UC212-36 | ||||||||
| UCFC212-38 | — | 2-3/8 | UC21238 | |||||||||||||||||||||||
| UCFC212-39 | — | 2-7/16 | UC212-39 | |||||||||||||||||||||||
| UCFC213 | 65 | — | 205 | 170 | 120.2 | 16 | 50 | 19 | 14 | 15 | 36 | 145 | 55.7 | 65.1 | 25.4 | M16 | — | UC213 | FC213 | 57.20 | 40.00 | 1.70 | 3000 | 5.4 | ||
| UCFC213-40 | — | 2-1/2 | 8-1/16 | 6-11/16 | 4-47/64 | 5/8 | 1-31/32 | 3/4 | 35/64 | 19/32 | 1-27/64 | 5.7087 | 2.1929 | 2.5630 | 1.0000 | — | 5/8 | UC213-40 | ||||||||
| UCFC214 | 70 | — | 215 | 177 | 125.1 | 17 | 54 | 19 | 14 | 18 | 40 | 150 | 61.4 | 74.6 | 30.2 | M16 | — | UC214 | FC214 | 62.40 | 45.00 | 1.86 | 2800 | 6.8 | ||
| UCFC214-44 | — | 2-3/4 | 8-15/32 | 6-31/32 | 4-59/64 | 43/64 | 2-1/8 | 3/4 | 35/64 | 23/32 | 1-9/16 | 5.9055 | 2.4173 | 2.9370 | 1.1890 | — | 5/8 | UC214-44 | ||||||||
| UCFC215 | 75 | — | 220 | 184 | 130.1 | 18 | 56 | 19 | 16 | 18 | 40 | 160 | 62.5 | 77.8 | 33.3 | M16 | — | UC215 | FC215 | 66.30 | 49.00 | 2.04 | 2600 | 7.3 | ||
| UCFC215-48 | — | 3 | 8-21/32 | 7-1/4 | 5-1/8 | 45/64 | 2-7/32 | 3/4 | 5/8 | 23/32 | 1-9/16 | 6.2992 | 2.4606 | 3.0630 | 1.3110 | — | 5/8 | UC215-48 | ||||||||
| UCFC216 | 80 | — | 240 | 200 | 141.4 | 18 | 58 | 23 | 16 | 18 | 42 | 170 | 67.3 | 82.6 | 33.3 | M20 | — | UC216 | FC216 | 72.80 | 53.00 | 2.16 | 2400 | 8.9 | ||
| — | — | 9-7/16 | 7-7/8 | 5-9/16 | 45/64 | 2-9/32 | 29/32 | 5/8 | 23/32 | 1-21/32 | 6.6929 | 2.6496 | 3.2520 | 1.3110 | — | 3/4 | ||||||||||
| UCFC217 | 85 | — | 250 | 208 | 147.1 | 18 | 63 | 23 | 18 | 20 | 45 | 180 | 69.6 | 85.7 | 34.1 | M20 | — | UC217 | FC217 | 83.20 | 62.00 | 2.40 | 2200 | 10.4 | ||
| UCFC217-52 | — | 3-1/4 | 9-27/32 | 8-3/16 | 5-51/64 | 45/64 | 2-15/32 | 29/32 | 45/64 | 25/32 | 1-25/32 | 7.0886 | 2.7402 | 3.3740 | 1.3425 | — | 3/4 | UC217-52 | ||||||||
| UCFC218 | 90 | — | 265 | 220 | 155.5 | 22 | 68 | 23 | 18 | 20 | 50 | 190 | 78.3 | 96.0 | 39.7 | M20 | — | UC218 | FC218 | 95.60 | 72.00 | 2.70 | 2000 | 13.0 | ||
| UCFC218-56 | — | 3-1/2 | 10-7/16 | 8/21/32 | 6-1/8 | 55/64 | 2-11/16 | 29/32 | 45/64 | 25/32 | 1-31/32 | 7.4803 | 3.0827 | 3.7795 | 1.5630 | — | 3/4 | UC218-56 | ||||||||










