

精湛的细节

精湛的细节
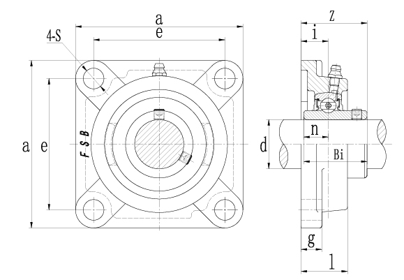
UCF200

| 带座轴承型号 | 轴 径 | 尺 寸 | 螺 栓 | 轴承芯型号 | 轴承座型号 | 基本额定载荷 | 疲劳极限载荷 | 极限转速(SRS) 轴的配合公差(h6) | 重量 | |||||||||||
|---|---|---|---|---|---|---|---|---|---|---|---|---|---|---|---|---|---|---|---|---|
| 动载荷 | 静载荷 | |||||||||||||||||||
| mm | in | mm / in | mm | in | — | — | Cr | Cor | Cur | m | ||||||||||
| d | a | e | i | g | l | S | Z | Bi | n | KN | r / min | ≈Kg | ||||||||
| UCF201 | 12 | — | 86 | 64 | 15 | 12 | 25.5 | 12 | 33.3 | 31.0 | 12.7 | M10 | — | UC201 | F204 | 12.70 | 6.55 | 0.28 | 8500 | 0.6 |
| UCF201-8 | — | 1/2 | 3-3/8 | 2-33/64 | 19/32 | 15/32 | 1 | 15/32 | 1.3110 | 1.2205 | 0.5000 | — | 3/8 | UC201-8 | ||||||
| UCF202 | 15 | — | 86 | 64 | 15 | 12 | 25.5 | 12 | 33.3 | 31.0 | 12.7 | M10 | — | UC202 | F204 | 12.70 | 6.55 | 0.28 | 8500 | 0.6 |
| UCF202-10 | — | 5/8 | 3-3/8 | 2-33/64 | 19/32 | 15/32 | 1 | 15/32 | 1.3110 | 1.2205 | 0.5000 | — | 3/8 | UC202-10 | ||||||
| UCF203 | 17 | — | 86 | 64 | 15 | 12 | 25.5 | 12 | 33.3 | 31.0 | 12.7 | M10 | — | UC203 | F204 | 12.70 | 6.55 | 0.28 | 8500 | 0.6 |
| UCF203-11 | — | 11/16 | 3-3/8 | 2-33/64 | 19/32 | 15/32 | 1 | 15/32 | 1.3110 | 1.2205 | 0.5000 | — | 3/8 | UC203-11 | ||||||
| UCF204 | 20 | — | 86 | 64 | 15 | 12 | 25.5 | 12 | 33.3 | 31.0 | 12.7 | M10 | — | UC204 | F204 | 12.70 | 6.55 | 0.28 | 8500 | 0.6 |
| UCF204-12 | — | 3/4 | 3-3/8 | 2-33/64 | 19/32 | 15/32 | 1 | 15/32 | 1.3110 | 1.2205 | 0.5000 | — | 3/8 | UC204-12 | ||||||
| UCF205 | 25 | — | 95 | 70 | 16 | 14 | 27 | 12 | 35.7 | 34 | 14.3 | M10 | — | UC205 | F205 | 14.00 | 7.80 | 0.34 | 7000 | 0.8 |
| UCF205-14 | — | 7/8 | 3-3/4 | 2-3/4 | 5/8 | 9/16 | 1-1/16 | 15/32 | 1.4055 | 1.3386 | 0.5630 | — | 3/8 | UC205-14 | ||||||
| UCF205-15 | — | 15/16 | UC205-15 | |||||||||||||||||
| UCF205-16 | — | 1 | UC205-16 | |||||||||||||||||
| UCF206 | 30 | — | 108 | 83 | 18 | 14 | 31 | 12 | 40.2 | 38.1 | 15.9 | M10 | — | UC206 | F206 | 19.50 | 11.20 | 0.48 | 6300 | 1.1 |
| UCF206-18 | — | 1-1/8 | 4-1/4 | 3-17/64 | 45/64 | 9/16 | 1-7/32 | 15/32 | 1.5827 | 1.5000 | 0.6260 | — | 3/8 | UC206-18 | ||||||
| UCF206-19 | — | 1-3/16 | UC206-19 | |||||||||||||||||
| UCF206-20 | — | 1-1/4 | UC206-20 | |||||||||||||||||
| UCF207 | 35 | — | 117 | 92 | 19 | 16 | 34 | 14 | 44.4 | 42.9 | 17.5 | M12 | — | UC207 | F207 | 25.50 | 15.30 | 0.66 | 5300 | 1.5 |
| UCF207-20 | — | 1-1/4 | 4-19/32 | 3-5/8 | 3/4 | 5/8 | 1-11/32 | 35/64 | 1.7480 | 1.6890 | 0.6890 | — | 7/16 | UC207-20 | ||||||
| UCF207-21 | — | 1-5/16 | UC207-21 | |||||||||||||||||
| UCF207-22 | — | 1-3/8 | UC207-22 | |||||||||||||||||
| UCF207-23 | — | 1-7/16 | UC207-23 | |||||||||||||||||
| UCF208 | 40 | — | 130 | 102 | 21 | 16 | 36 | 16 | 51.2 | 49.2 | 19.0 | M14 | — | UC208 | F208 | 30.70 | 19.00 | 0.80 | 4800 | 1.9 |
| UCF208-24 | 1-1/2 | 5-1/8 | 4-1/64 | 53/64 | 5/8 | 1-13/32 | 5/8 | 2.0157 | 1.9370 | 0.7480 | — | 1/2 | UC208-24 | |||||||
| UCF208-25 | — | 1-9/16 | UC208-25 | |||||||||||||||||
| UCF209 | 45 | — | 137 | 105 | 22 | 18 | 38 | 16 | 52.2 | 49.2 | 19.0 | M14 | — | UC209 | F209 | 33.20 | 21.60 | 0.92 | 4300 | 2.3 |
| UCF209-26 | — | 1-5/8 | 5-13/32 | 4-9/64 | 55/64 | 23/32 | 1-1/2 | 5/8 | 2.0551 | 1.9370 | 0.7480 | — | 1/2 | UC209-26 | ||||||
| UCF209-27 | — | 1-11/16 | UC209-27 | |||||||||||||||||
| UCF209-28 | — | 1-3/4 | UC209-28 | |||||||||||||||||
| UCF210 | 50 | — | 143 | 111 | 22 | 18 | 40 | 16 | 54.6 | 51.6 | 19.0 | M14 | — | UC210 | F210 | 35.1 | 23.2 | 0.98 | 4000 | 2.5 |
| UCF210-30 | — | 1-7/8 | 5-5/8 | 4-3/8 | 55/64 | 23/32 | 1-9/16 | 5/8 | 2.1496 | 2.0315 | 0.7480 | — | 1/2 | UC210-30 | ||||||
| UCF210-31 | — | 1-15/16 | UC210-31 | |||||||||||||||||
| UCF210-32 | — | 2 | UC210-32 | |||||||||||||||||
| UCF211 | 55 | — | 162 | 130 | 25 | 20 | 43 | 19 | 58.4 | 55.6 | 22.2 | M16 | — | UC211 | F211 | 43.60 | 29.00 | 1.25 | 3600 | 3.4 |
| UCF211-32 | — | 2 | 6-3/8 | 5-1/8 | 63/64 | 25/32 | 1-11/16 | 3/4 | 2.2992 | 2.1890 | 0.8740 | — | 5/8 | UC211-32 | ||||||
| UCF211-34 | — | 2-1/8 | UC211-34 | |||||||||||||||||
| UCF211-35 | — | 2-3/16 | UC211-35 | |||||||||||||||||
| UCF212 | 60 | — | 175 | 143 | 29 | 20 | 48 | 19 | 68.7 | 65.1 | 25.4 | M16 | — | UC212 | F212 | 52.70 | 36.00 | 1.53 | 3400 | 4.4 |
| UCF212-36 | — | 2-1/4 | 6-7/8 | 5-5/8 | 1-9/64 | 25/32 | 1-7/8 | 3/4 | 2.7047 | 2.5630 | 1.0000 | — | 5/8 | UC212-36 | ||||||
| UCF212-38 | — | 2-3/8 | UC212-38 | |||||||||||||||||
| UCF212-39 | — | 2-7/16 | UC212-39 | |||||||||||||||||
| UCF213 | 65 | — | 187 | 149 | 30 | 20 | 50 | 19 | 69.7 | 65.1 | 25.4 | M16 | — | UC213 | F213 | 57.20 | 40.0 | 1.70 | 3000 | 5.3 |
| UCF213-40 | — | 2-1/2 | 7-3/8 | 5-55/64 | 1-3/16 | 25/32 | 1-31/32 | 3/4 | 2.7441 | 2.5630 | 1.0000 | — | 5/8 | UC213-40 | ||||||
| UCF214 | 70 | — | 193 | 152 | 31.8 | 24.8 | 54.8 | 19 | 76.2 | 74.6 | 30.2 | M16 | — | UC214 | F214 | 62.40 | 45.00 | 1.86 | 2800 | 6.0 |
| UCF214-44 | — | 2-3/4 | 7-19/32 | 5-63/64 | 1-1/4 | 31/32 | 2-5/32 | 3/4 | 3.0000 | 2.9370 | 1.1890 | — | 5/8 | UC214-44 | ||||||
| UCF215 | 75 | — | 200 | 159 | 35 | 25 | 57 | 19 | 79.5 | 77.8 | 33.3 | M16 | — | UC215 | F215 | 66.30 | 49.00 | 2.04 | 2600 | 6.6 |
| UCF215-47 | — | 2-15/16 | 7-7/8 | 6-17/64 | 1-3/8 | 63/64 | 2-1/4 | 3/4 | 3.1299 | 3.0630 | 1.3110 | — | 5/8 | UC215-47 | ||||||
| UCF215-48 | — | 3 | UC215-48 | |||||||||||||||||
| UCF216 | 80 | — | 208 | 165 | 35 | 25 | 59 | 23 | 84.3 | 82.6 | 33.3 | M20 | — | UC216 | F216 | 72.80 | 53.00 | 2.16 | 2400 | 7.5 |
| UCF216-50 | — | 3-1/8 | 8-3/16 | 6-1/2 | 1-3/8 | 63/64 | 3-21/64 | 29/32 | 3.3189 | 3.2520 | 1.3110 | — | 3/4 | UC216-50 | ||||||
| UCF217 | 85 | — | 220 | 175 | 36 | 25 | 63 | 23 | 87.6 | 85.7 | 34.1 | M20 | — | UC217 | F217 | 83.20 | 62.00 | 2.40 | 2200 | 9.1 |
| UCF217-52 | — | 3-1/4 | 8-21/32 | 6-57/64 | 1-27/64 | 1-1/32 | 2-15/32 | 29/32 | 3.4488 | 3.3740 | 1.3425 | — | 3/4 | UC217-52 | ||||||
| UCF218 | 90 | — | 235 | 187 | 42 | 26 | 70 | 23 | 98.3 | 96.0 | 39.7 | M20 | — | UC218 | F218 | 95.60 | 72.00 | 2.70 | 2000 | 11.3 |
| UCF218-56 | — | 3-1/2 | 9-1/4 | 7-23/64 | 1-21/32 | 1-1/32 | 2-3/4 | 29/32 | 3.8701 | 3.7795 | 1.5630 | — | 3/4 | UC218--56 | ||||||











